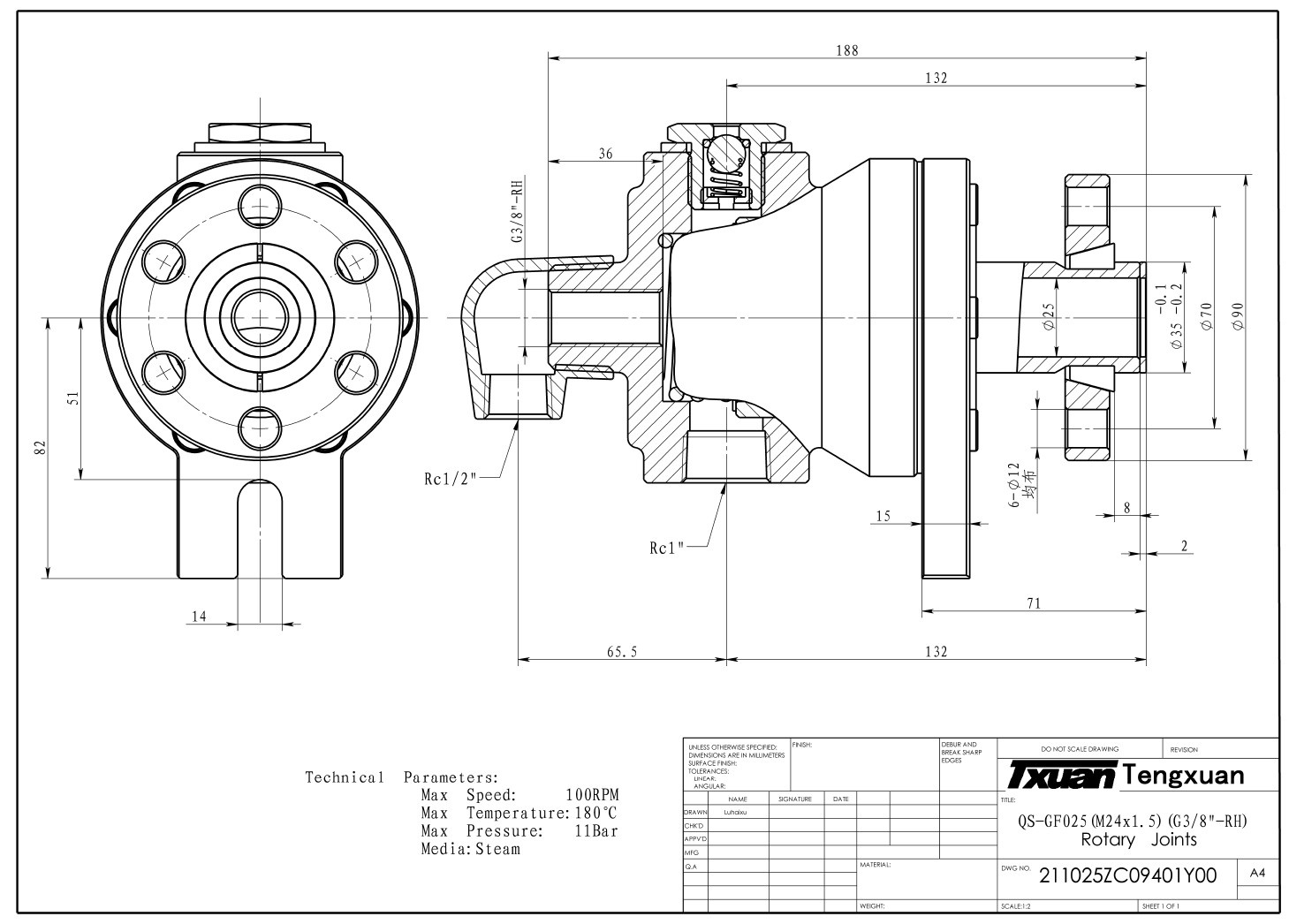
QS-GF
Die QS-GF-Drehdurchführung verfügt über einen Flanschanschluss am Rotor. Der Auslass ist mit einem Gewinde versehen. Die QS-GF-Drehdurchführung ist zusätzlich mit einem Vakuumventil ausgestattet.
Das Vakuumventil verhindert das Implosion des Fasses bei Druckverlust.
Die QS-GF-Drehdurchführung verfügt über einen Gewindeanschluss entlang des Rotors, in den das Heberrohr eingeschraubt werden kann.








